前言:在現代工業領域,精確控制流體的流向和流速至關重要。為了滿足這一需求,力士樂4WE6電磁換向閥成為控制流動的理想選擇。力士樂電磁換向閥4WE6J6X/EG24N9K4以其可靠性、高效性和靈活性而著稱,為工程師們提供了一個強大的工具來滿足各種流體控制需求。

攝影|寧波思承何靜
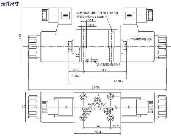
力士樂電磁換向閥4WE6J6X/EG24N9K4是一種電磁線圈操作方向滑閥,主要用作電磁組件,可實現流動的啟動、停止和方向控制。它由殼體、一個或兩個電磁鐵、控制閥芯和復位彈簧組成。在斷電狀態下,控制閥芯由復位彈簧保持在中間位置或初始位置(版本"O"除外)。

當電磁鐵通電時,控制閥芯從靜止位置移動到所需的終端位置,實現所選符號所需的流體方向。一旦關閉電磁鐵,控制閥芯將被推回至中間位置或初始位置(帶"OF"定位器的閥和不帶彈簧類型"O"的閥除外)。此外,輔助操作裝置使得在電磁鐵未通電的情況下也能手動切換閥,增加了使用的靈活性。
以上就是力士樂電磁換向閥4WE6J6X/EG24N9K4的全部內容,希望能幫助到大家。有需要的伙伴可以咨詢寧波思承。

